工法紹介
工法の種類
![]()

| 立坑の小型化 |
発進立坑・到達立坑ともに最小スペース化を実現しています。 |
|---|---|
| 広い適用土質 | ロックマン工法に準じ、滞水砂地盤・礫・転石・岩盤・コンクリートなど、あらゆる土質の掘削が可能です。また、泥水方式により複合地盤へも対応しています。 |
| 優れた推進力 |
クラス最大の施工能力を誇ります。 |
| 工期が短く経済的 |
作業工程が少なく、特殊ビットによるスピーディーな掘進が可能です。 |
| 高い精度 | 連続監視によって即時方向修正が可能です。 |
| プラント設備の小型化 |
2m×10m程度という小規模な地上設備で施工できます。 |
● φ400、φ500

● φ600、φ800

※ ビット耐力は硬岩IIクラスで130mの能力を有していますが、推進精度の保持を考えて標準範囲推進距離を設定しています。
上記の推進延長の条件に適合しない時に安全かつ施工精度を保持していく為には地盤改良をする必要とする部分が発生する可能性があります。
- 1. 玉石、転石に乗り上げ、施工精度が保持できない。
- 2. 互層部、礫から岩盤層に挿入時マシンが転動する。
- 3. 流体輸送が逸泥する時。
以上の点に適合する時は、地盤改良工事が必要です。
≪標準範囲推進距離を決めた要素≫
- 1. 推進力計算による許容推進延長内であること。
- 2. 礫・玉石等の転動による方向性の保持並びに修正が可能であること。
- 3. 一般に礫〜玉石〜転石と岩石が大きくなるにしたがい、延長に比例して方向の偏心が進行する傾向にあること。
- 4. 施工精度については地質条件や、施工技術者によって差があるが、過去の実績から判断して安全かつ妥当な延長であること。
※ 尚、標準範囲推進距離はあくまで目安なので、これ以上の計画を考える場合は協会事務局においてご相談させていただきます。
▲ ページのトップへ

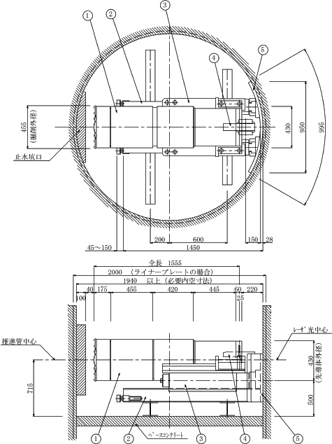
(1) 本工法は、先導体・元押し装置・操作盤・油圧ユニット・泥水処理槽からなっていて先導体のカッターには強力な岩破砕ビットを取り付けています。
又、排土は連続的な流体輸送システムになっており、クリーンで、長距離タイプとなっています。
(2) カッタービット
先導体の先端に装着してある強力なトリコンビットで岩破砕強度は、一軸圧縮強度qu=300N/mm2まで破砕し、ビットライフも長く安心して使用する事ができます。
(3) 先導体
カッタービットを回転する駆動装置・先導体姿勢制御装置・油圧制御装置・機内バイパス弁・電気回路・方向修正装置・礫二次破砕装置からなっていて、安定した掘進ができます。
(4) 元押し装置
ロックマンエースφ400・φ500は980KN(490KN×2本)及びφ600・φ800は1960KN(980KN×2本)の油圧ジャッキ管受台と押輸を一体化したジャッキユニットで、コンパクトにまとめた設備機器です。推進長がカウント出来、又、リモコン装置を取付けています。
(5) 油圧ユニット
推進ジャッキ・方向修正用ジャッキの油圧駆動システム・各ポンプ・モーター類の電気動力盤をコンパクトにまとめたものです。
(6) 操作盤(コントロールユニット)
先導体の掘進状況の管理・推進状況の管理・流体輸送システムの管理その他、各機器の状況をモニターTVを見ながら、集中管理が行える様コンパクトにまとめたユニットです。言わば、ロックマン工法の頭脳とも言えるところです。
(7) 泥水処理プラント
先導体から送り込まれた流体の中には多くの土砂を含んでおりますので、その泥水を土砂分と泥水に分離し、泥水は再度先導体に送り込むプラントであります。
この機器の中には、振動フルイ機・サイクロンモーター、サイクロン打込ポンプ・沈澱槽・調整槽・撹拌機などから成り立っています。
(8) 送泥ポンプ・排泥ポンプ
送泥ポンプは、先導体に泥水を送り込むポンプであり、排泥は先導体からの土砂と泥水を吸引するポンプです。送泥ポンプ・排泥ポンプの出力を調整する事で先端の切羽の水圧を調整するので地下水に対し安定した掘削が行われます。又、排泥ポンプは大きな径の土砂を通し、しかも高出力です。
▲ ページのトップへ

| 名称\種別 | φ400・φ500 | φ600・φ800 | |
|---|---|---|---|
| (1) | 操作盤 | 0.6m×0.65m | 0.6m×0.65m |
| (2) | 油圧ユニット | 0.8m×1.2m | 0.8m×1.2m |
| (3) | 処理プラント | 1.4m×2.9m | 1.75m×3.16m |
| (4) | ダンプトラック | 2t車 | 2t車 |
| (5) | 滑材プラント | 1.0m×1.2m | 1.0m×1.2m |
| (6) | 発動発電機 | 1.0m×3.0m | 1.0m×3.0m |
| (7) | 溶接器 | 0.5m×0.6m | 0.5m×0.6m |
| (8) | クレーン付トラック | 2.9t吊4t車 | ― |
| トラッククレーン | ― | 4.9t吊 | |
注1) 処理プラントの具体的設備内容は機構概要を参照して下さい。
▲ ページのトップへ
平面寸法
| TRW-400A | φ2000 | φ1940mm以上の内法寸法が確保できる円形立坑(ライナープレート・ケーシング等)とする。 |
|---|---|---|
| TRW-500A | ||
| TRW-600A | φ2500 | φ2440mm以上の内法寸法が確保できる円形立坑(ライナープレート・ケーシング等)とする。 |
| TRW-800A |
注) 両発進立坑の場合も同じ寸法とする。
深さ
| TRW-400A | 推進管中心からベースコンクリート上端まで715mm以上を確保する。 |
|---|---|
| TRW-500A | 推進管中心からベースコンクリート上端まで765mm以上を確保する。 |
| TRW-600A | 推進管中心からベースコンクリート上端まで1015mm以上を確保する。 |
| TRW-800A |
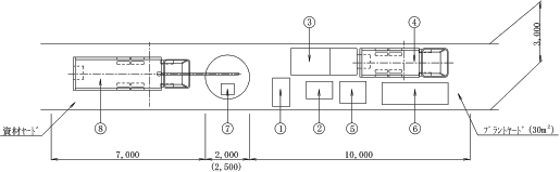
立坑内配置図
※ 以下は、TRW-400Aの配置図です。

| No. | 品名 |
|---|---|
| 1 | 掘進機 |
| 2 | 推進架台 |
| 3 | 推進ジャッキ |
| 4 | レーザートランシット |
| 5 | 反力板 |
▲ ページのトップへ
円形立坑の場合(3分割)
● 平面寸法
| TRW-400A | φ1300 | φ1240mm以上の内法寸法が確保できる円形立坑(ライナープレート・ケーシング等)とする。 |
|---|---|---|
| TRW-500A | ||
| TRW-600A | φ1500 | φ1440mm以上の内法寸法が確保できる円形立坑(ライナープレート・ケーシング等)とする。 |
| TRW-800A | φ1700 | φ1640mm以上の内法寸法が確保できる円形立坑(ライナープレート・ケーシング等)とする。 |
● 深さ
全ての機種について先導体外径よりベースコンクリート上端まで0.30m以上を確保する。
マンホール到達の場合(3分割)
● 平面寸法
| TRW-400A | 1号マンホール | φ900mm以上の内法寸法が確保できるマンホールとする。 |
|---|---|---|
| TRW-500A | 2号マンホール | φ1200mm以上の内法寸法が確保できるマンホールとする。 |
| TRW-600A | 3号マンホール | φ1500mm以上の内法寸法が確保できるマンホールとする。 |
| TRW-800A |
● 深さ
全ての機種について先導体外径よりマンホール底盤又はインバート上端まで0.30m以上を確保する。
注1) 分割回収のスペースの必要性から平面線形として、マンホール中心部到達とする。
注2) TRW-400A以外は先導体回収のため斜壁・鉄蓋等の撤去が必要です。
注3) マンホール到達計画は、設計時に先導体外径から0.30m以上を確保してマンホール計画をしていただきたい。但し、0.3mを確保していない既設マンホールの場合は底盤又はインバートを一時撤去し先導体回収後補修して下さい。
注4) 既設土留材がある場合は、撤去又は部分切断が必要です。
先導体の回収は、法令を遵守し安全管理に十分注意して下さい。
立坑内配置図
※ 以下は、TRW-400Aの配置図です。
● 円形立坑

注1) ( )は土留壁からの最小離隔値
● マンホール到達参考図(1号マンホール)

▲ ページのトップへ
| 型式 | TRW-400A | TRW-500A | TRW-600A | TRW-800A | |||
|---|---|---|---|---|---|---|---|
| 適用推進管 | 管種 | 鋼管・合成管・ヒューム管 | 鋼管・合成管 | ||||
| 管外径 mm | 406.4 | 508.0 | 609.6 | 812.8 | |||
| 管長 m | 1.2 | ← | 1.5 | ← | |||
| 適用土質 | 土の種類 | 風化岩から硬質(300MN/m2)玉石混じりの砂礫 | |||||
| 被圧水 MPa | 0.20 | ← | ← | ← | |||
| 発進立坑 | 平面寸法 mm | φ2000 | ← | φ2500 | ← | ||
| 管芯高 mm | 715/590/590 | 765/615/615 | 1015/990 | 1015/990 | |||
| 到達立坑 | 平面寸法 | φ1300 | ← | φ1500 | φ1700 | ||
| 先導体 | 外径×全長 mm |
φ430×1555 | φ530×1454 | φ630×1633 | φ830×1670 | ||
| 重量 t | 0.72 | 0.95 | 1.55 | 2.10 | |||
| 方向修正ジャッキ | 134.4KN× 18ST×3本 |
165.8KN× 23ST×3本 |
215.8KN× 30ST×3本 |
245.3KN× 40ST×3本 |
|||
| カッタモータ (水冷モータ) |
15KW×4P | 18.5KW×4P | 22KW×4P | 22KW×4P | |||
| トルク(50/60Hz) KN・m |
7.65/6.38 | 9.42/7.85 | 12.75/10.99 | 18.93/16.38 | |||
| 回転数(50/60Hz) r・p・m |
18.3/22.0 | 18.3/22.0 | 16.4/19.1 | 11.1/12.8 | |||
| 送排泥管 | 2B | 2B | 3B | 3B | |||
| 推進装置 | 寸法(幅×高さ×長さ) mm |
630×900×1500 | 730×900×1500 | 1120×1220×1800 | |||
| 重量 t | 0.8 | 2.3 | |||||
| 推進ジャッキ | 推進力/引力 KN | 980/490 | 1960/980 | ||||
| 推進速度 mm/min | 高速910(60Hz) 低速265(60Hz) |
高速760(60Hz) 低速182(60Hz) |
|||||
| 油圧 ユニット |
寸法(幅×高さ×長さ) mm | 780×1175×875 | ← | ||||
| 重量 t | 0.6 | ← | |||||
| 油圧ポンプ | 吐出量 | 10.6/3.8/0.62ℓ/min(60Hz) | 15.6/5.7/0.96ℓ/min(60Hz) | ||||
| 圧力 | 14.72/58.86/58.86MAX(MPa) | 14.72/58.86/58.86MAX(MPa) | |||||
| 電動機 | 7.5KW | 7.5KW | |||||
| 操作盤 | 寸法(幅×高さ×長さ) mm | 600/1300/650 | ← | ||||
| 重量 t | 0.2 | ← | |||||
| 表示方式 | メータ及モニタ表示 | ← | |||||
| 運転方式 | 手動方式 | ← | |||||
| 姿勢計測 | 表示・項目 | ピッチ・ローリング角度表示・ 位置画像表示 |
← | ||||
▲ ページのトップへ
【協会事務局】
〒732-0052
広島市東区光町1丁目13番20号
ディア・光町 2F
TEL:082-261-5923
FAX:082-261-5925
E-mail:rockman@alpha.ocn.ne.jp




